Dominion Atlantic Railway Digital Preservation Initiative - Wiki

Use of this site is subject to our Terms & Conditions.

19270101-MP14

From DARwiki

1927 Canadian Pacific Railway Summary Of Equipment, Form M.P. 14 - January 1, 1927

Reference Tag

Please use this tag when referring to this article: C.P.R., M.P. 14 Motive Power Roster, 1927


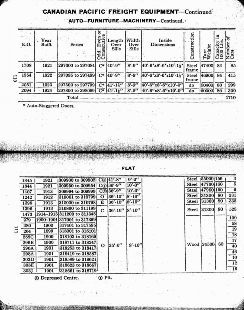
MP14 1927 Page 001.jpg MP14 1927 Page 002-003.jpg MP14 1927 Page 004-005.jpg MP14 1927 Page 006-007.jpg MP14 1927 Page 008-009.jpg MP14 1927 Page 010-011.jpg MP14 1927 Page 010-011.jpg MP14 1927 Page 012-013.jpg MP14 1927 Page 014-015.jpg MP14 1927 Page 016-017.jpg MP14 1927 Page 018-019.jpg MP14 1927 Page 020-021.jpg MP14 1927 Page 022-023.jpg MP14 1927 Page 024-025.jpg MP14 1927 Page 026-027.jpg MP14 1927 Page 028-029.jpg MP14 1927 Page 030-031.jpg MP14 1927 Page 032-033.jpg MP14 1927 Page 034-035.jpg MP14 1927 Page 036-037.jpg MP14 1927 Page 038-039.jpg MP14 1927 Page 040-041.jpg MP14 1927 Page 042-043.jpg MP14 1927 Page 044-045.jpg MP14 1927 Page 046-047.jpg MP14 1927 Page 048-049.jpg MP14 1927 Page 050-051.jpg MP14 1927 Page 052-053.jpg MP14 1927 Page 054-055.jpg MP14 1927 Page 056-057.jpg MP14 1927 Page 058-059.jpg MP14 1927 Page 060-061.jpg MP14 1927 Page 062-063.jpg MP14 1927 Page 064-065.jpg MP14 1927 Page 066-067.jpg MP14 1927 Page 068-069.jpg MP14 1927 Page 070-071.jpg MP14 1927 Page 072-073.jpg MP14 1927 Page 074-075.jpg MP14 1927 Page 076-077.jpg MP14 1927 Page 078-079.jpg MP14 1927 Page 080-081.jpg MP14 1927 Page 082-083.jpg MP14 1927 Page 084-085.jpg MP14 1927 Page 086-087.jpg MP14 1927 Page 088-089.jpg MP14 1927 Page 090-091.jpg MP14 1927 Page 092-093.jpg MP14 1927 Page 094-095.jpg MP14 1927 Page 096-097.jpg MP14 1927 Page 098-099.jpg MP14 1927 Page 100-101.jpg MP14 1927 Page 102-103.jpg MP14 1927 Page 104-105.jpg MP14 1927 Page 106-107.jpg MP14 1927 Page 108-109.jpg MP14 1927 Page 110-111.jpg MP14 1927 Page 112-113.jpg MP14 1927 Page 114-115.jpg MP14 1927 Page 116-117.jpg MP14 1927 Page 118-119.jpg MP14 1927 Page 120-121.jpg MP14 1927 Page 122-123.jpg MP14 1927 Page 124-125.jpg MP14 1927 Page 126-127.jpg MP14 1927 Page 128-129.jpg MP14 1927 Page 130-131.jpg MP14 1927 Page 132-133.jpg MP14 1927 Page 134-135.jpg MP14 1927 Page 136-137.jpg MP14 1927 Page 138-139.jpg MP14 1927 Page 140-141.jpg MP14 1927 Page 142-143.jpg MP14 1927 Page 144-145.jpg MP14 1927 Page 146-147.jpg MP14 1927 Page 148-149.jpg MP14 1927 Page 150-151.jpg MP14 1927 Page 152-153.jpg MP14 1927 Page 154-155.jpg MP14 1927 Page 156-157.jpg MP14 1927 Page 158-159.jpg MP14 1927 Page 160-161.jpg MP14 1927 Page 162-163.jpg MP14 1927 Page 164-165.jpg MP14 1927 Page 166-167.jpg